

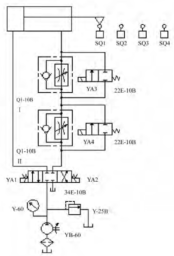
| 輸入元件 | 地址 | 輸(shū)出元(yuán)件 | 地址 |
| 總啟動SB0 | X0 | 指示燈HL | Y0 |
| 總(zǒng)停止SB1 | X1 | 繼電器KM1 | Y1 |
| M1 啟動SB2 | X2 | 繼電器KM2 | Y2 |
| M2 啟動SB3 | X3 | 電磁(cí)鐵YA1 | Y3 |
| M1 停(tíng)止SB4 | X4 | 電磁鐵YA2 | Y4 |
| M2 停止SB5 | X5 | 電磁鐵YA3 | Y5 |
| 手動/自動選擇開關SA | X6 | 電磁鐵(tiě)YA4 | Y6 |
| 行程開關SQ1 | X7 | ||
| 行程開關SQ2 | X10 | ||
| 行(háng)程開關SQ3 | X11 | ||
| 行程開關SQ4 | X12 | ||
| 電磁鐵YA1 得電按鈕SB6 | X13 | ||
| 電(diàn)磁鐵YA2 得電按鈕SB7 | X14 |


| 步號 | 動作 | YA1 | YA2 | YA3 | YA4 | 輸(shū)入信號 |
| 0 | 缸快進 | + | - | + | + | SQ1 |
| 1 | 缸一工進(jìn) | + | - | - | + | SQ2 |
| 2 | 缸二工進 | + | - | - | - | SQ3 |
| 3 | 快退 | - | + | - | - | SQ4 |
品牌理念(niàn)
標準流程
有效溝通
專業管理
優秀團隊
品質保證
無憂售後 | 上海红桃视频app科教設備有限公司,立於上海(hǎi),心懷天下 |
生產基地:上海鬆江葉榭工業園
業務電話(huà):021-56311657 , 56411696 , 業務傳真:021-56411696 公司郵箱:shanghaimaoyu@126.com 教學設備廠 滬公網安(ān)備 31010702001294 號 滬ICP備13020377號-1 |