
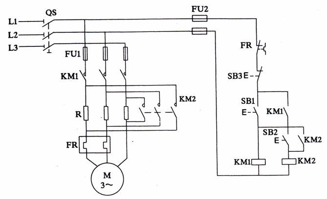
| 代號(hào) | 名稱 | 型號 | 規格 | 數量 | 備注(zhù) |
| QS | 低壓斷路器 | DZ108-20/10-F | 脫扣器整定電流0.63-1A | 1 | 實訓屏上 |
| FU1 | 熔斷器 | 配熔體2A | 3 | ||
| FU2 | 熔斷器 | 配熔體2A | 2 | ||
|
KM1
KM2
|
交流接觸器 | 2 | 線圈AC380V | 2 | |
| FR | 熱繼電器 | JR16B | 整定電(diàn)流0.63-1A | 1 | |
| SB1 SB2 SB3 | 按鈕(niǔ)開關 | 3 | |||
| M | 三相鼠(shǔ)籠式異步電動機 |
U380V (Y) I N0.53APN160W |
1 | ||
| R | 電阻 | 510Ω/25W | 3 |

品牌(pái)理念
標準流程
有效溝通
專業管理
優(yōu)秀團隊
品質保證
無憂售後 | 上海红桃视频app科(kē)教設備有限公司,立於上海,心懷天下 |
生產基地:上海鬆江葉榭工業園
業務電話(huà):021-56311657 , 56411696 , 業(yè)務傳真:021-56411696 公司郵箱(xiāng):shanghaimaoyu@126.com 教學設備廠 滬公(gōng)網安備 31010702001294 號(hào) 滬ICP備13020377號-1 |