
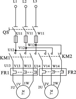
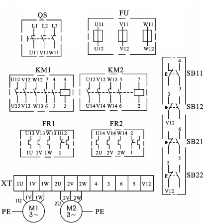
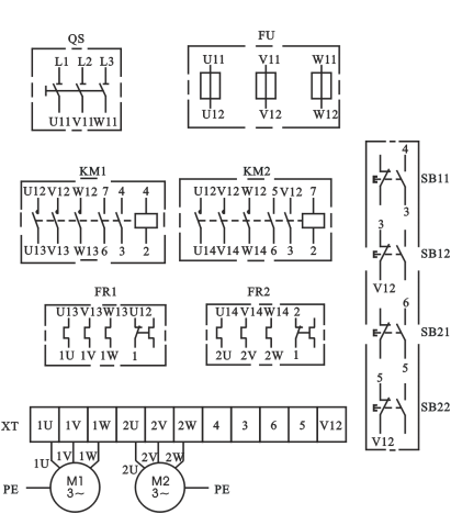
| 代號(hào) | 名稱 | 型號 | 規格 | 數量 | 備注 |
| QS | 低壓斷路器 | DZ108-20/10-F | 脫扣器整定電流0.63-1A | 1 | |
| FU | 螺旋式熔斷器 | RL1-15 | 配熔體3A | 3 | |
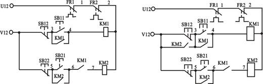
| KM1 KM2 | 交流接觸器 | CJX2-0910 | 線圈AC380V | 2 | |
| 繼電器方座 | PF-083A | 2 | |||
| FR1 FR2 | 熱繼電器 | JRS1D-25 | 整定電流0.63-1A | 2 | |
|
SB11 SB12 SB21 SB22 |
按鈕開關 | LAY16 | 4 |
SB11、SB21為綠色 SB12、SB22為紅色 |
|
| XT | 接線端子排 | AC660V25A | 12位 | ||
| M1、M2 | 三相鼠籠式異步(bù)電動機 |
UN380V(Y) IN0.53APN160W |
2 |




品牌理念
標準流程
有效溝通
專業管理
優秀團隊
品質保證
無憂售後 | 上(shàng)海红桃视频app科教設備有限公司,立於上海,心懷天下 |
生產基地:上海鬆江葉榭工業園
業務電話:021-56311657 , 56411696 , 業務傳真:021-56411696 公司郵箱:shanghaimaoyu@126.com 教學設備廠 滬公網安備 31010702001294 號(hào) 滬ICP備13020377號-1 |