
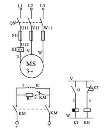
| 代號 | 名稱 | 型號 | 規格 | 數量(liàng) | 備注 |
| QS | 低壓斷路器 | DZ108-20/10-F | 脫扣器整定電流0.63~1A | 1 | |
| FU | 螺旋(xuán)式熔斷(duàn)器 | RL1-15 | 配熔體3A | 3 | |
| KM | 交流接觸器 | CJX2-0910 | 線圈AC380V | 1 | |
| KT | 斷電延(yán)時時間繼電器 | ST3PF | 輸入交流(liú)AC380V | 1 | |
| XT | 接線端子排(pái) | AC660V25A | 10位 | ||
| 繼電器方座 | PF-083A | 1 | |||
| M |
凸極式同步 電動機 |
UN380V(Y)IN0.35A PN160W |
1 | ||
| KI | 過電流繼電器 | JL14-22Z | 0.3~0.65A | 1 | |
| 電阻箱 | 90Ω/1.3A | 1 |


品牌理念
標準流程
有效溝通(tōng)
專業管理
優秀團隊
品質保證
無憂售後 | 上海红桃视频app科教設備有限(xiàn)公(gōng)司,立於上(shàng)海,心懷天下 |
生(shēng)產基地:上海鬆江葉榭工業園
業務電話:021-56311657 , 56411696 , 業務傳真:021-56411696 公司郵箱:shanghaimaoyu@126.com 教學設備廠 滬公網安備 31010702001294 號 滬ICP備13020377號-1 |