
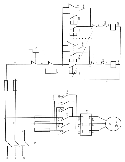
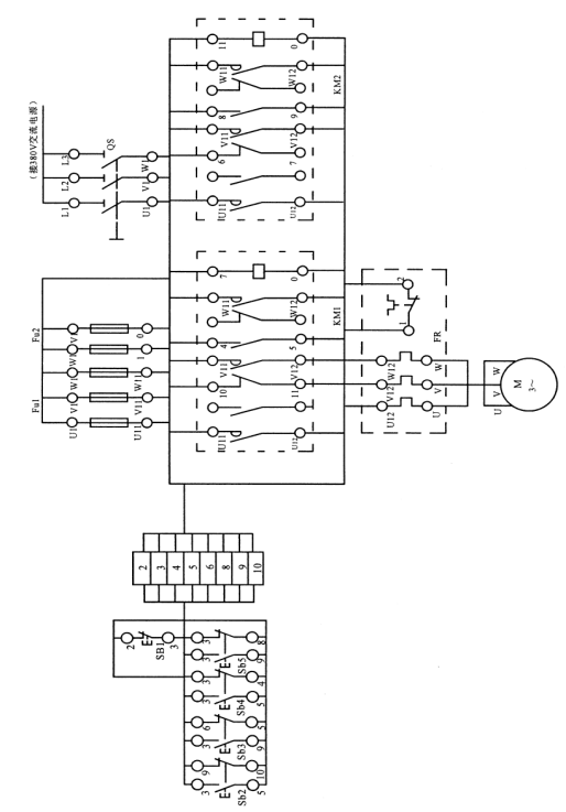
| 代號(hào) | 名稱 | 型號 | 規格(gé) | 數量 | 備注 |
| QS | 低壓斷路器 | DZ108-20/10 | 脫扣器整(zhěng)定電流0.63-1A | 1 | |
| FU1、FU2 | 螺旋式熔斷器 | RL1-15 | 配3A熔斷體 | 5 | |
| KM1、 KM2 | 交流接觸器 | CJX2-0910 | 線圈AC380V | 2 | |
| 繼電器方座 | PF-083A | 1 | |||
| FR | 熱繼電器 | JRS1D-25 | 整定(dìng)電流0.63-1A | 1 | |
| SB1、SB2、SB3、SB4、SB5 | 按(àn)鈕開關 | LAY16 | 5 | ||
| M | 三相鼠籠式異(yì)步電動機 | 380V(Y/△) | 1 |


品(pǐn)牌理念
標準流(liú)程(chéng)
有效溝通
專業管理
優秀團隊
品質保(bǎo)證
無憂售後 | 上海(hǎi)红桃视频app(yù)科教設備有限公司,立於(yú)上海,心懷天下 |
生產基地:上海鬆江葉榭(xiè)工業園
業務電話:021-56311657 , 56411696 , 業務傳真:021-56411696 公司郵箱:shanghaimaoyu@126.com 教學設備廠 滬公網安備 31010702001294 號 滬(hù)ICP備13020377號-1 |