
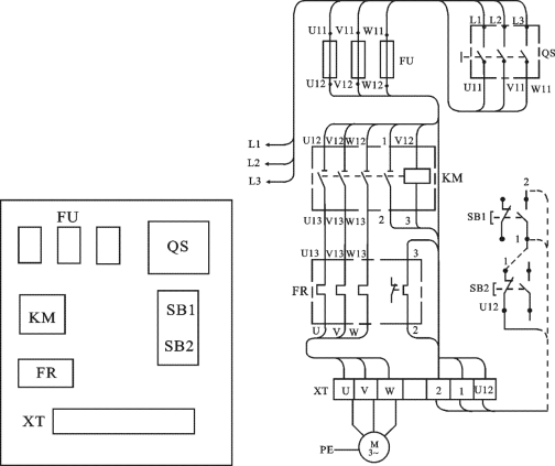
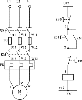
| 代號 | 名(míng)稱 | 型號 | 規格 | 數量 | 備注 |
| QS | 低壓斷路器 | DZ108-20/10-F | 脫扣器整定電流0.63-1A | 1 | |
| FU | 螺旋式熔斷器 | RL1-15 | 配熔體3A | 3 | |
| KM | 交流接觸器 | CJX2-0910 | 線圈AC380V | 1 | |
|
SB1 SB2 |
按鈕開關 | LAY16 | 2 |
SB1綠色 SB2紅色 |
|
| XT | 接線端子排 | TB15 | AC660V25A | 10位 | 裝在掛箱最(zuì)下端 |
| M | 三相鼠籠(lóng)式異步電動機 | UN380(Y)IN0.53APN160W | 1 | ||
| FR | 熱繼電器 | JRS1D-25 | 整定電流0.63-1A | 1 | 整定電流0.63A |

品牌理念
標準流程
有效溝通
專業管理
優秀(xiù)團隊
品質保證
無憂售後 | 上海红桃视频app科教設備有(yǒu)限公司,立於上海,心懷天下 |
生(shēng)產基地:上海鬆江葉榭工業園
業務電話:021-56311657 , 56411696 , 業務傳真:021-56411696 公司郵箱:shanghaimaoyu@126.com 教學設備廠 滬公網安備 31010702001294 號 滬ICP備(bèi)13020377號-1 |