设(shè)为首页| 收藏本站(zhàn)| 联系我们

电子技能实训(xùn)台电子催眠器电路(lù)的(de)制作

一、电子技能实训台实训目的
1、了解(jiě)单结管BT33的特性及应用。
2、通过本实(shí)训课,进一步熟悉电子电路的(de)装配、调(diào)试、检测方法。
二、实训器材
(1)万用表;
(2)焊接工具;
(3)元器件的选择,见表24-1。
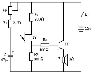
 表24-1  元器件(jiàn)配置表(biǎo)
代号 名称 规格 代号 名称 规格
R1 电阻 2.7 K C 电解(jiě)电容 47μF
R2 电阻 200Ω K 开关 钮子开关
R3 电(diàn)阻 330Ω T1 单结管 BT33
R4 电阻 100Ω T2 三极管 9013
RP 电位器 22K B 喇叭
三(sān)、实训步骤
1、组装
    根据原理图和所配置的线(xiàn)路板组装电路(lù),装配工艺参考以下要(yào)求:
图24  电催眠器
(1)电阻采用水平(píng)安装,电阻(zǔ)的色环方向应该一致。
(2)三极管、单结管采用直立式安装,底面离印刷电路板(5±1)mm。
(3)电解电容器、涤纶(lún)电(diàn)容器尽量插到底,元件底(dǐ)面离印制板最高不能(néng)大于4mm。
(4)电位器尽量插到底,不能倾斜,三只脚均需焊接。
(5)插(chā)件装配美观、均匀、端(duān)正、整齐,不能歪斜,要高矮有序。
(6)所有插入焊片孔的元器件引线及(jí)导线均采用(yòng)直脚(jiǎo)焊,剪脚留头在焊面以上(1±5)mm,焊(hàn)点(diǎn)要求圆滑、光亮、防(fáng)止虚(xū)焊、搭焊和散锡。
2、调(diào)试
    本(běn)装置只要装配无误,接上电源,即能(néng)正常工作,调节微调电位器RP,便可调节催眠器声音节奏(zòu)的快慢。
四、实训报告
    将实(shí)训过程及发生的问题、实验现象、处理结果填入实训报告。报告格式自拟。

其他产品链接:
机械创新实训室(shì)的(de)建设思路
新能源汽车(chē)专业(yè)标准配置
中等职业学(xué)校液压与气动实训室设备基本配置推荐标准
电子基础类专业仪(yí)器设备基本配置推荐(jiàn)标准
新能源发电(diàn)综合系统实验室(shì)建(jiàn)设方案(àn)
中等职业学校汽车运(yùn)用与维修(xiū)专业实训基地设备基本配(pèi)置推荐标
维修(xiū)电工技能(néng)训练课程标准的(de)介绍
中等职业学校电力电子及(jí)电(diàn)力(lì)拖动实训(xùn)室设备基本配(pèi)置推荐标准
电子器件及线路(lù)测量仪器设备基本配置推荐标准

机械制图测(cè)绘实训室

中(zhōng)等职业学校工业自动(dòng)化.可编(biān)程控制器(qì)实训基地设备(bèi)基本配置推荐

机电技术专业实验室基础配置建设

汽车新能源(yuán)实验室的标准配置

中等职业学校可编程序控制(zhì)器实训基地设备基本配置推荐标准

供配电实训室专业仪器设备基本配置推荐标准

实验室(shì)设备安全使用维护保养须知(zhī)

纯电动汽车电机的简易测试

热处理实验室简介

材料性能实验室介绍

材料制备实验室简(jiǎn)介

通用机械实(shí)训室简(jiǎn)介

电梯仿真实训室

制(zhì)冷制热实验台空调电脑(nǎo)板故障操(cāo)作说明

有害气体吸附实验装置实验说明书(shū)

农机实(shí)训室建设标准及方案设计(jì)

风电新能源实验室建(jiàn)设方案

机电一体化实验室

低压电器与电工仪表实验(yàn)室

模拟电子技术实验(yàn)室

传感器技术实验设备-霍尔传感器的振动测量实验

火灾报警与消防控制综合实训室

数字化课程包

计(jì)算机教室配置标准

汽车运用与维修专业实训基地设备基本配置(zhì)推荐标准

中等职业(yè)学校(xiào)家用电器实训教学设备(bèi)基(jī)本配置推荐标准

风机盘管接线安装(zhuāng)实训台

机电实验室

热工(gōng)实验室

中等职业学校电工电子类专业实训基(jī)地设备基本配置推荐标准

家(jiā)用电器之洗碗机实训指导书

山东省普通高(gāo)中探究实验室配置标准

中等职业(yè)学校电工电子实训基地设备(bèi)基本配置推荐标准

电工基本(běn)技能实训室设(shè)备基本配置推荐标准

暖通空调与(yǔ)热工实验室

空调制冷技术专(zhuān)业仪器设备基本配置(zhì)推荐标准(zhǔn)
M7120平面磨床的实(shí)训说明

电机检修技能(néng)操作实训台
电工实验台最大功率传输条件测定(dìng)说明
纯电动汽车加速踏板位置传感器检测(cè)

交流变极(jí)调(diào)速系统实训装置(zhì)

电机及(jí)拖动技术实训平(píng)台

2024款维修电工实训装置

传感器与检测技术实验台

电(diàn)工实验装置指针式万用表

我们的优势:

品(pǐn)牌理念品牌理念 标(biāo)准流程 标准(zhǔn)流程 有效(xiào)沟通有效沟通专业管理 专业管理客户视图(tú) 客户视图优(yōu)秀团队优秀团队(duì)品质保证品(pǐn)质保证无忧售后无忧售后
上海红桃视频app科教设备有限公司,立于上海,心怀(huái)天下
生产基地:上海松江叶榭工业园

业务电话:021-56311657 , 56411696 , 业(yè)务传真:021-56411696 公司邮箱:shanghaimaoyu@126.com
教学(xué)设备厂 沪公网安备 31010702001294 号 沪ICP备13020377号-1
备案
网站地图 红桃视频app-17c起草红桃国际-星空无限传媒红桃视频-红桃影视tvapp免费下载