传感器教学设备-光电(diàn)式传感器的转速测量(liàng)实验
传感器教(jiāo)学设备,传感器实验台是为适应不同类别、不同(tóng)层(céng)次的专业需要。推出了模块化新产(chǎn)品。可完成“传(chuán)感器原理与应用(yòng)”、“自动检测(cè)技术”、“工业自动化仪表与控制”、“非电量电测(cè)技术”、“传感器与测控技术”等(děng)课程的教学实验。为各高等院校、中专与职业技术学院等新建或扩建实验室,迅速开设实验课提供(gòng)了理想(xiǎng)的实验室设备。(电脑自备(bèi))
一、
传感器教学设备实验目(mù)的(de)
1、了解光电式传感器的基(jī)本结构。
2、掌握光电(diàn)式传感器及其转换电路的工作原理。
3、掌握差动变压器的调试方法。
二、实(shí)验所用单元
光电式传感器、光电式传感器转(zhuǎn)换电路板、直流稳压电源、频率与转速表、数字电压表、 位移台架。
三、实(shí)验(yàn)原理及电路
1、光断续器原理如图17-1所示,一个开口的光耦合器,当开口处被遮住时,光(guāng)敏三极管(guǎn)接收不(bú)到发光二极(jí)管的光信号,输出电压为0,否则有电压(yā)输出。
2、图17-2为测速装置示意图(tú),其中微型电动机带动转盘在两个成90度的光(guāng)继续(xù)器的开口(kǒu)中转(zhuǎn)动,转盘上一(yī)半为黑色,另一半透明,转动时,两个光继续器将输出不同相位的方波信号,这两个方波信号(hào)经过转换电路中的四个运放器,可输出相位差分别为(wéi)0°、90°、180°、270°的方波信号,它们的频率都是相同(tóng)的,其中任意一个方波信(xìn)号均可(kě)输出至频率表显示频率。原理如图17-3所示。
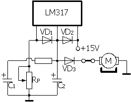
3、微型电动(dòng)机的转速可调,电路(lù)图如图(tú)17-4所示,调节电(diàn)位器RP可输出0~12V的直流电压。

图17-3 光电传感器实验原理图

图17-4 电机调速电路图