设为首页| 收藏本站| 联系我们

传热实验装置使用说明书

一、传热实验(yàn)装置使用说明书-概述
热力学第二定(dìng)律指出(chū):无论是气(qì)体、液体还是固体,都存在着温度差异(yì),就必然(rán)导致热(rè)量(liàng)自发地从高温向低温传递,这一过程被(bèi)称为热量传递过程,简称传热。用于冷热流体进行热量交换的设备称为换热器。
传热在工程技术领域中(zhōng)的应(yīng)用十分广泛,在动力、化工、制冷、建筑、机(jī)械制造、新(xīn)能源和宇航等工程中,都占有十分重要的地位。因此,了解传热过程的基本原理及传热设备(即换热器)的结构性能具有极其重要(yào)的意义。
换(huàn)热器是由各种不同的传热(rè)元(yuán)件组成的换热(rè)设备,冷热流体借助换热器(qì)中的传热元(yuán)件进(jìn)行热量交换而完成加热或冷却任务。换(huàn)热器的传热系数(shù)是衡量换热器的换热效果好坏的标准,不同传热元件组成(chéng)的换热器的性能存(cún)在着较大的差异。确定换热器(qì)换热性能(主(zhǔ)要是指传热系(xì)数(shù))的有效途(tú)径是通过实验(yàn)进行测定。
二(èr)、设备性能与主要技术(shù)参数
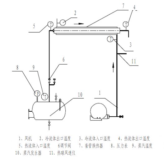
1、本实验装置主要由套管换热器、蒸发器、风机、智能温(wēn)控仪表、热球风速仪、开关指示灯、不锈钢框(kuàng)架等组成(chéng)。
2、套管换热:换(huàn)热段长度为1000mm换(huàn)热面积为0.142m2。换热器外(wài)部都包有(yǒu)保温层,并(bìng)用不锈钢皮包好,外表美观,可(kě)以(yǐ)减少实验的热损失,也可以防止实验者的意外烫伤(shāng)。
3、热流体通过的紫铜管为φ20×1.5mm,长为1000mm。冷流体通(tōng)过的(de)不(bú)锈钢管为φ57×1mm。
4、蒸发器为不(bú)锈钢制成,最大加热功率为2.0KW。其上装有液位(wèi)计,正常液(yè)位要维持(chí)在2/3处,最多加至液位计所能指示的范围最高处(chù)。必要时加水,以免电热管干烧(加(jiā)水(shuǐ)时需注意水(shuǐ)位超过液位计指(zhǐ)示时仍往蒸发器内(nèi)加水,液位计将无法显示液位)。其表(biǎo)面也包有保温层。
5、风机为旋涡风机,输入(rù)功率为550W,转(zhuǎn)速为2800/min,风压为13.5KPa,风(fēng)量为95m3/h。
6、温度仪表:本装置上配置一块(kuài)AI-518温度控(kòng)制仪表,四块AI-501温度显示仪;AI-518温度控制仪表用于控制蒸发器(qì)温度,AI-501温(wēn)度显示仪可以直接显示所对应各点的温度(dù)。
7、热球风速仪,用来测量(liàng)风速,再通过管道(dào)截面积求得(dé)体积流量(liàng)。详(xiáng)细操作步骤与注意事项请参(cān)阅热球风速仪使用说明书。柜体在其面板可以控制整个实验(yàn)的(de)全过(guò)程。仪表开关下部都有对应的标识。
8、开关、指示灯按下开关指示灯亮表明对应的工作正在运行,关闭时则按开关上箭头的方向旋转即(jí)可。
三、实验目的
1、熟悉传热实验(yàn)的实验方案设计及(jí)流程设计。
2、了解换热器的基(jī)本构造与操作原(yuán)理。
3、掌握热量衡算(suàn)与传(chuán)热(rè)系数K及对流传热膜系数α的测定方法。
4、掌握热电偶的(de)测温原理及(jí)电位差计的使用(yòng)。
四、实验原理
传热实验是在实验室条件下的教学实验(yàn),用仪表考察冷热流(liú)体在套管式换(huàn)热器中的(de)传热过程,其理(lǐ)论(lùn)基础是传热基本方程牛(niú)顿冷却定律及热量平衡关系。



实验中冷流(liú)体采(cǎi)用空气,热(rè)流体采用水蒸汽。通过测取冷热流体在换热(rè)器进出口的流量及温度(dù)变化来进行总传热系数K对流传热膜系(xì)数K与相关(guān)准数关系的测定。
五、   实验流程图
六、实验操作步骤
1、实验前应熟悉实验流程,做好(hǎo)实(shí)验的准备工作。
2、检查电(diàn)源连接是否正确,风机(jī)、加热装(zhuāng)置工作是否正常,设备密封是否良(liáng)好。
3、检(jiǎn)查蒸汽发(fā)生器内(nèi)水位是(shì)否符合要求,必要时加水(shuǐ)。以免热管烧坏。
4、检查热电偶(ǒu)接触是(shì)否良(liáng)好,看(kàn)热电偶插入处有无脱落?
5、实验正常操作前(qián)应打通冷却水,排除换热器内的不凝性气(qì)体。稍开放空阀排不凝性气体。
6、启动电源开关后,电源指(zhǐ)示灯亮(liàng);打开蒸汽发生器加热开关。将蒸汽发生器加热温度仪表设定至所需(xū)温度值,然后调节电流表(biǎo)旋(xuán)钮,顺时针旋转,电流表显示数(shù)值将逐步加大;大约85摄氏度左右时把两(liǎng)个调节旋钮调小一点(防止热惯性所造成的温(wēn)度不稳定现象)。
7、由于热电偶测量时存在一定的误(wù)差,故蒸(zhēng)汽温度显示90度左右时蒸发器内的(de)水已经沸腾。此时可以(yǐ)打开风(fēng)机开关调(diào)节风量调节阀,开始进行传热实验。
8、在实验(yàn)过程中热流体出(chū)口温度有可能(néng)高于蒸汽温度,原因(yīn)是一方面换热器内部结垢严重(chóng),另一方面是传热过程中给的热量大,导致热流体出口温度(dù)高于蒸汽温度(dù)。
9、读取实验数据时应待操作稳定后才开始进行,一(yī)组实验数据应连续进行测定,两组数据(jù)间应(yīng)有一定的稳定(dìng)时间,每组实验数(shù)据的测温点应始终保持(chí)不变(biàn),以减少系统误差。各组实验数(shù)据间操作状态(tài)的改变,通过调节风机出(chū)口阀的开度,开大(dà)阀门(mén)则增加冷流体进料量,调小(xiǎo)反之。
10、实验完(wán)毕,应先关掉蒸发器开关,将电流表调至零,停止加热;风机(jī)继续工作一段时(shí)间,待蒸发器温度降至50度以下再关掉所(suǒ)有电源开关,结束实验。
七、注意事项
1、蒸(zhēng)发器加水一般加到液(yè)位计的2/3即可,假若水位超过了此高度那么不管再加多少水液(yè)位计的指示都不会改变。液位最少(shǎo)时也不能低于(yú)蒸汽发生器的1/2否则电热管极易烧坏!
2、实验操(cāo)作(zuò)时应注意安全,不(bú)能开蒸发器上灌(guàn)水阀门,防止触(chù)电和烫伤。
3、测量时应逐步加大气相流量,记录数据(jù)。否则(zé)实验(yàn)数值误差较大。
八、实验数据整(zhěng)理及要求
1、测定有关数据(jù)并进行数据处理,整理出(chū)相关经验公式,绘出相(xiàng)应实验图表及曲线。
2、将原始数据列(liè)成表格并进行实验数据处理
3、根据实验(yàn)结果对测定的K、 值进行分析讨论。

序(xù)号 气体流量V(m3/h) 气体入口(kǒu)T(℃) 气体出口T(℃) 蒸汽入口T(℃) 蒸汽出口T(℃)  (℃)
1            
2            
3            
4            
5            

其(qí)他技术文章链接(jiē):
加强(qiáng)中(zhōng)职学(xué)生对弱电与强电认识
传感器实验台温度控(kòng)制仪表操作说明
太阳能光伏发电综合(hé)实训系统使(shǐ)用说明
电动机技术工作原理及运行维护
电机与拖动实验实训报告
光机电一体化实训设备实验室介绍
机械设计实验室
齿轮范成仪使用(yòng)说明书
家用电器之(zhī)电子消毒柜(guì)实验指(zhǐ)导书
臭氧氧化脱色实验说明书
萃取精馏教学实验指(zhǐ)导书
二(èr)氧化(huà)碳PVT关系测定实验(yàn)指导书
空气绝热指数测定装置实验指导书
填料(liào)吸收实验装置使用指导书
超滤、纳滤、反渗透多功能膜分离(lí)实验装置说(shuō)明
孔口管嘴实(shí)验仪说明书
热电(diàn)偶制作校验仪说明书
好氧堆肥实验装置实验(yàn)说明书
沿程阻力系数测定装置说(shuō)明书
文丘里除尘器性能实验指导书
制冷压缩机性能测试实训装置指导书
化工(gōng)传(chuán)热实验装置使(shǐ)用说明书
数据采集板式静电除尘器指导书
《台虎钳》实测绘图组合训练装置
自由对流横管管外放热系数测试(shì)装置使用说明(míng)书
流体力学综合实验装(zhuāng)置使用说明书
《典(diǎn)型零件》实测绘图训练装置
制冷制热工作原理及(jí)实验目的
挖掘机液压模拟训练平台操作说明
中(zhōng)温法向辐射率测量仪实验装(zhuāng)置的介绍及使用说明
传感器实(shí)验台的特点及维护
热电偶(ǒu)校验仪使用说明
热电阻校验装置使用说(shuō)明
做燃料(liào)电池教具实验要注意什(shí)么
电(diàn)机及电气技术实验的基本要求及安全操作规程
交流及直流(liú)电源实验操作说明
传感器实验台温度控制仪表操作说明
冲击水浴除尘器实(shí)验装置使用说明
变压(yā)器耦合推挽功率放大器实验说明(míng)
平面磨床面板器件布局图及电路实训单元故障现象
定时兼报警记录仪的使用(yòng)方法
浅谈(tán)职高《电子(zǐ)线路》教学中学生能力的培养
试析(xī)自动化专业实(shí)验实训室建设与实践教学(xué)体系改革
浅(qiǎn)析创新电工电子实(shí)训教学模(mó)式提高学生自主操作(zuò)能力
谈《维修电(diàn)工》工(gōng)学结合一体化教学
电气(qì)自动化技术专业(yè)生产性实训模式创(chuàng)新
浅(qiǎn)谈电(diàn)工学实验在中专专业课教学中的作用
化工电气自动化专业(yè)实训室建设探讨
浅(qiǎn)谈液压系统(tǒng)污染物的防与治
关于《液压与气动技术》课程教学探索
试析“新能(néng)源导论与创新(xīn)实践”教学体会与实践
浅谈电力局办公自动化系统的开发模型
两电极电化学CO传感器的研制
传感器教学中学生创新素质的培养
中职实训基地建(jiàn)设的探索与实(shí)践
基于PLC多台空调(diào)机组的自动(dòng)控制设计
浅谈析基于FMS的机电一体(tǐ)化教学培训(xùn)系统开发
电(diàn)工电子(zǐ)实验技能正确使用的认识
改善机电一体化(huà)传动管控教学改革
浅谈电工电子设(shè)备中的各种“地”作用
光机电一体化设(shè)备中变频器怎么判断故障
中职学生实(shí)验(yàn)中对二极管电路认识
电工电子(zǐ)实训中常见问题总结(jié)
工(gōng)程机械实训室建设的实习(xí)报告
中职(zhí)学生为什么要(yào)学电工电子吗
在电工(gōng)电子实训中(zhōng)几种(zhǒng)二极管(guǎn)的测试技巧
关于中职机电一体化专业技能体系的构建
关于中职机电一(yī)体(tǐ)化专业学生技能实训探索
电(diàn)工电子实验中对输入电阻和输出电阻的(de)认识
中职学生如何上好机电(diàn)一体化课程
浅谈PLC可编程序控制(zhì)器在电气设备中作用(yòng)
中职机电一体化设备(bèi)组装与调试(shì)竞赛规程
浅谈中职机电一体化实习(实训(xùn))教学考核规范与标准
浅谈中职教师(shī)汽车专业技能标准的差(chà)异(yì)及对策
浅谈煤矿(kuàng)自动化(huà)机电技术探(tàn)索
浅谈中职汽车一般常见故障的(de)诊(zhěn)断方法
中职对(duì)机电一体化计算机基础探索
机电一体化技能竞赛促进教学(xué)质量的提高(gāo)
浅谈中职汽车电气设备构造(zào)与维修课程实践教学探索
对机电一体化(huà)设备安装(zhuāng)中几个要点认识
对新型传感器提升电动机性能并降低功耗作用
讲解光机电(diàn)一体化具体内容包括
浅谈机电一体(tǐ)化技术专业如何适应应用性本科教育
探索中职学校(xiào)汽车修理专业如何适实践作业
让高职学生了解热电(diàn)偶现(xiàn)场使用(yòng)的(de)注意事项
浅(qiǎn)谈(tán)教学电梯安装实训教学的分析
浅(qiǎn)析电梯电气故障原因及(jí)解决措施
探索现代电力电子技术应用状况
高职汽车技术服务与营销专业实践教学改革新(xīn)探
汽车维修职业教育中故障(zhàng)诊断思(sī)维方法的培养
浅谈智能楼宇闭路电视监控(kòng)系(xì)统方案
浅谈PLC可编程实训课教学探索
燃料电池发电教(jiāo)学实验平台
PLC可编程控制技(jì)术综合实训装置(西门子1200)
家用电器综合实训室(shì)设备
光机电一体化实训设备实验室介绍
电机及(jí)电气(qì)技术实训(xùn)装置
基础电工电子实验室设(shè)备
定制热管换热器实验台
物联网射频识别综合应用实验箱
初级维(wéi)修电(diàn)工实验台(tái)

我(wǒ)们的优势:

品牌理念品牌理念 标准流程 标准流程 有效沟通有(yǒu)效沟通专业(yè)管理 专业管理客户视图 客户视(shì)图优秀团队优秀(xiù)团队品质保证品质保证无忧(yōu)售后无忧售后
上海红桃视频app科教设备有限公(gōng)司,立于上海,心怀天下
生产基地:上海松江叶榭工业园

业务电(diàn)话:021-56311657 , 56411696 , 业务(wù)传真:021-56411696 公司邮箱:shanghaimaoyu@126.com
教学设备厂 沪公网安备 31010702001294 号 沪ICP备13020377号-1
备案
网站地图 红桃视频app-17c起草红桃国际-星空无限传媒红桃视频-红桃影视tvapp免费下载