

| 序號 | 名稱 | 數量 | 備注 |
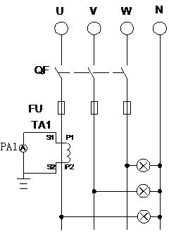
| 1 | 實驗台主控屏 | 1 | |
| 2 | 電流互感器 | 1 | |
| 3 | 白熾燈 | 3 | |
| 4 | 交流電(diàn)流表 | 1 | |
| 5 | 空氣開關 | 1 | |
| 6 | 萬用表(自備)、剝線鉗、螺絲刀、尖嘴鉗等 | 1 | |
| 7 | 導線若幹 |
品牌理念
標準流程(chéng)
有效溝通
專業管理
優(yōu)秀團隊
品質保證
無憂(yōu)售(shòu)後 | 上海红桃视频app科教設備有限公(gōng)司,立於上海,心懷天(tiān)下 |
生產基地:上(shàng)海鬆江葉榭(xiè)工業園
業務電話:021-56311657 , 56411696 , 業務傳真:021-56411696 公司郵箱:shanghaimaoyu@126.com 教學設備廠 滬公網安備 31010702001294 號 滬ICP備13020377號-1 |